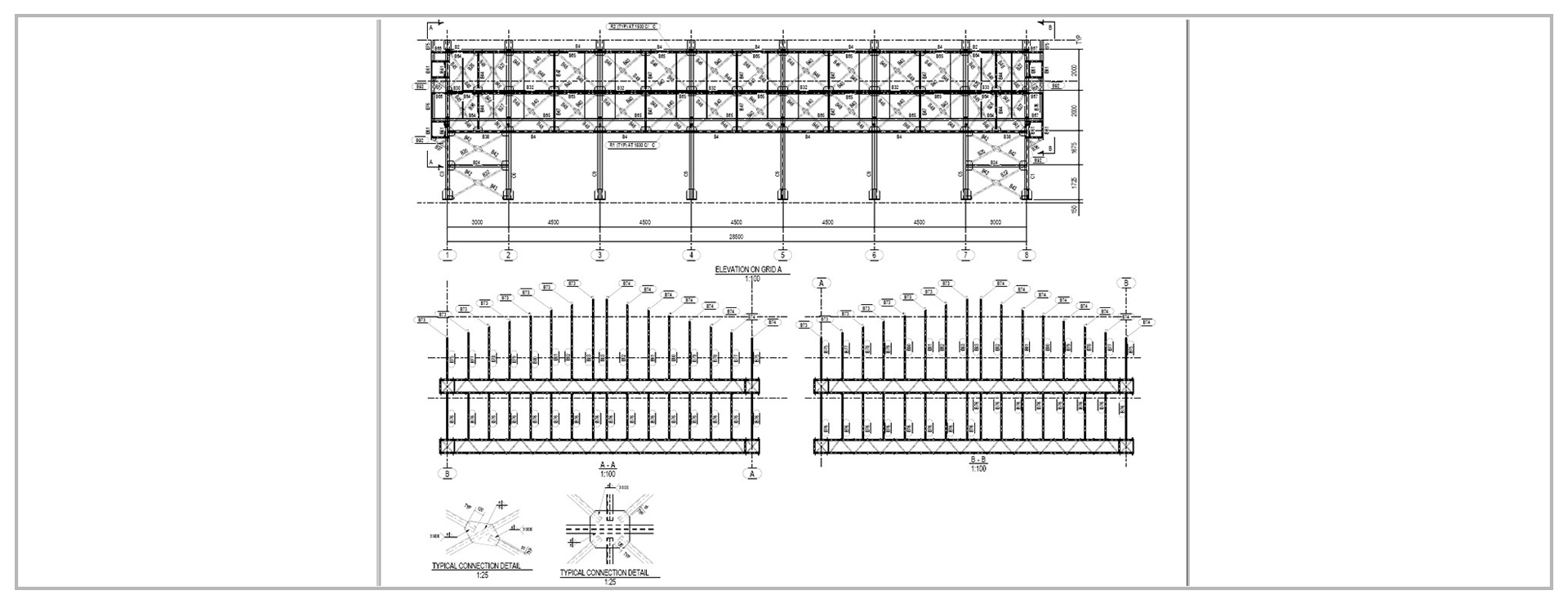
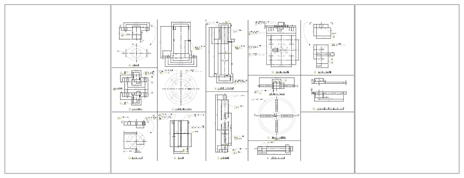
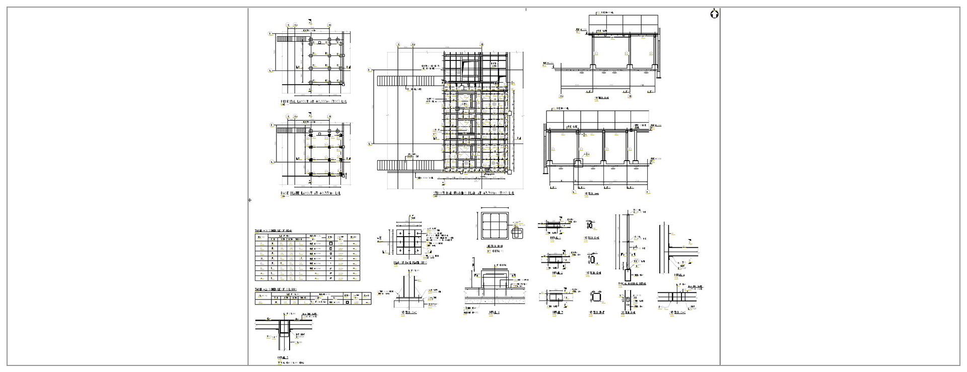
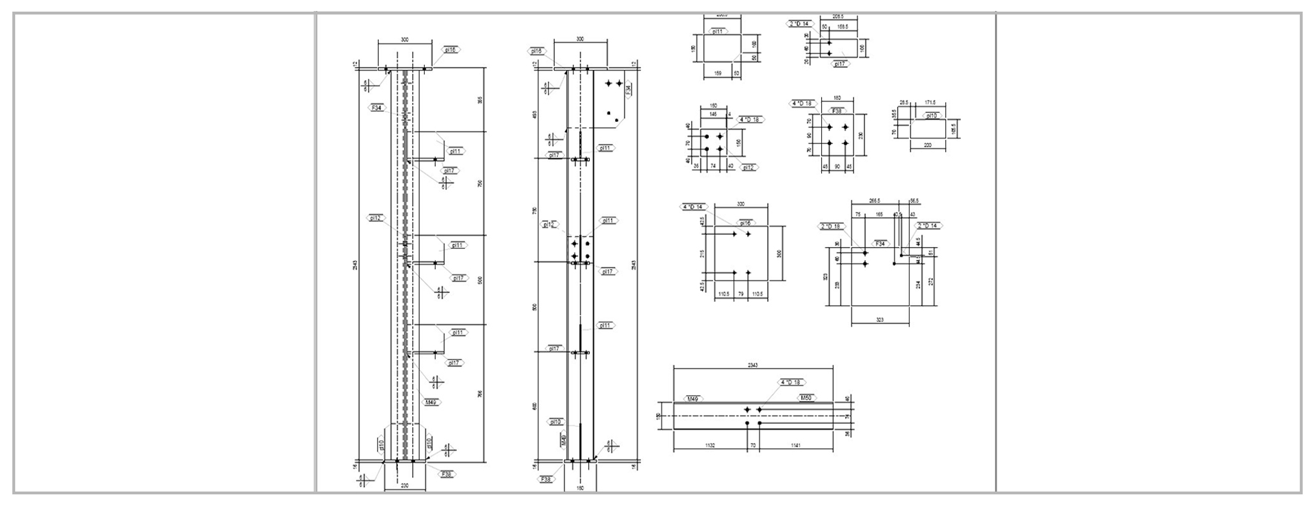
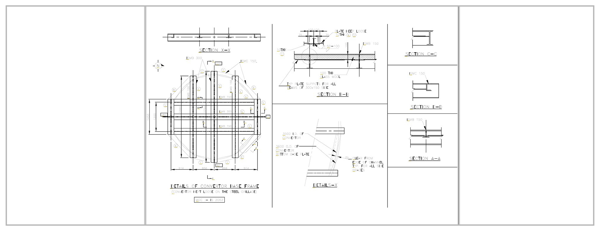
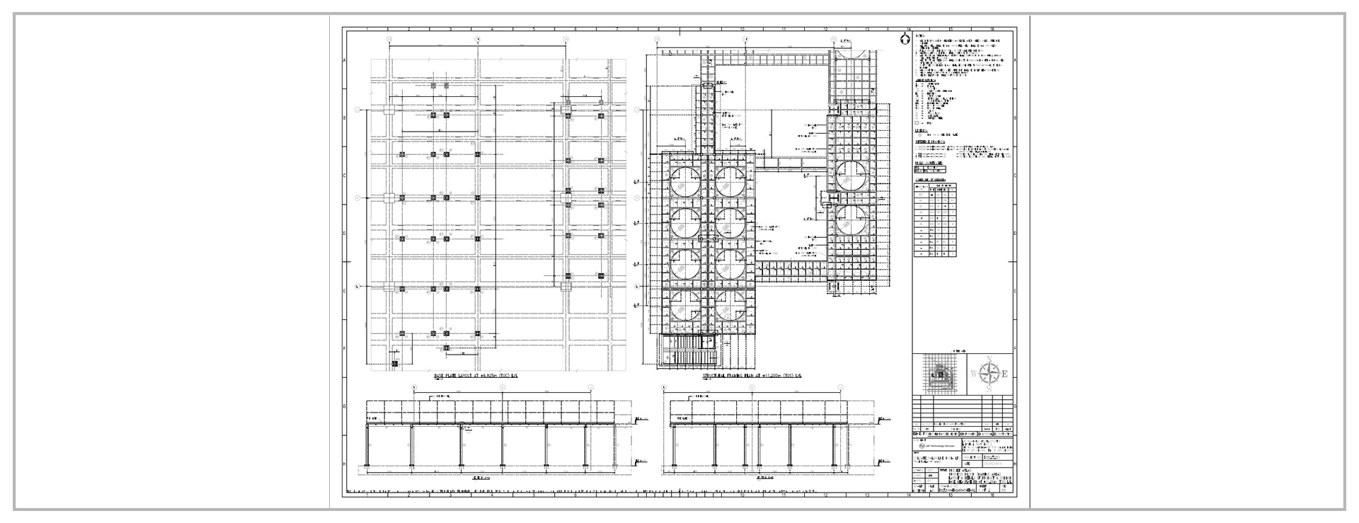
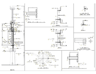
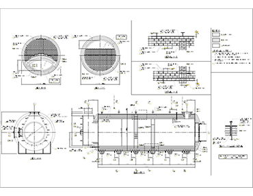
Acid storage Tank, Piping & Platforms
Shiv Sulphuric Solution (OPC) Pvt. Ltd.
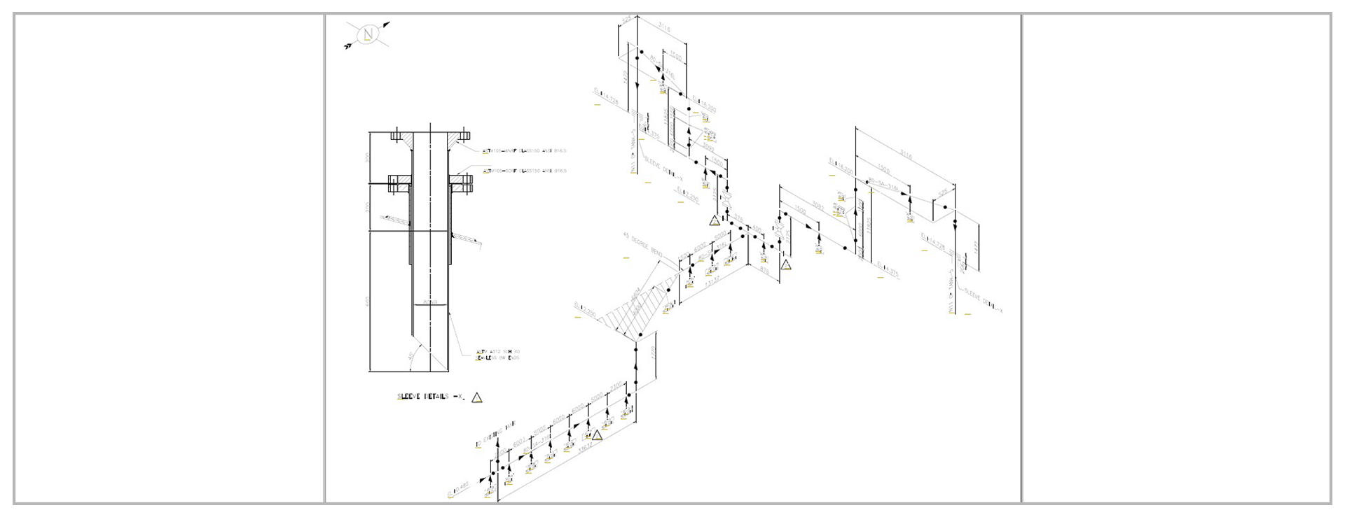
Acid Piping, Layouts, Isometrics, MTO, Stress Analysis, Support
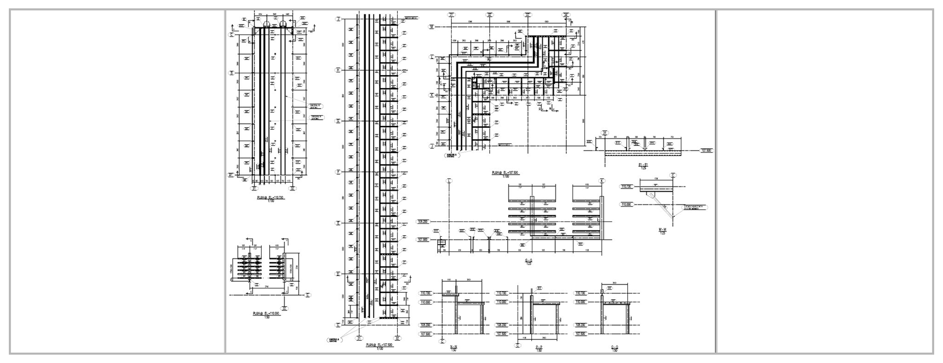
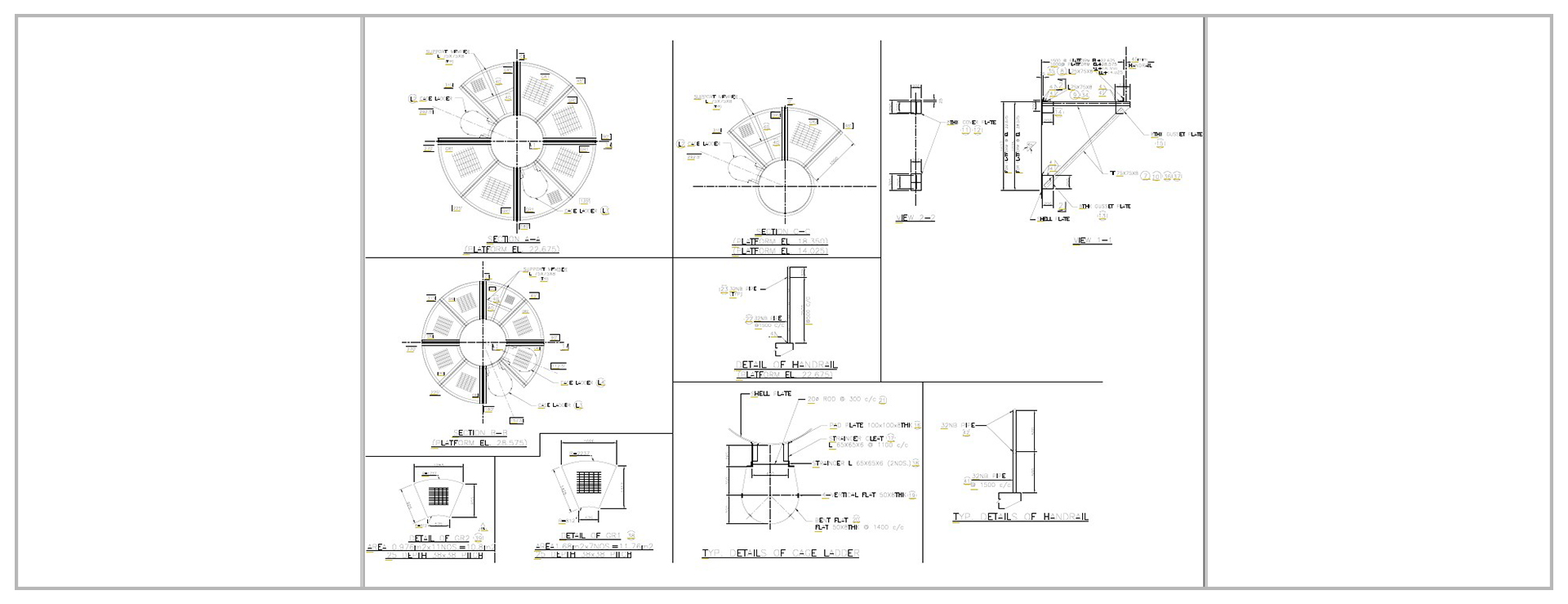
Layouts, Support Details
and its BOQ, Acid Storage Tank Design and
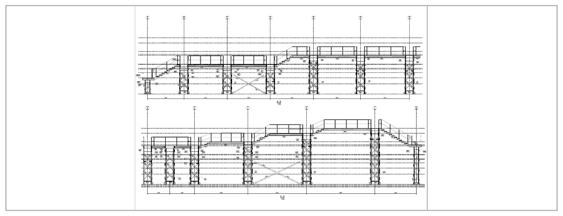
drawings, Rafter and Platform Staircase.
Coromandel International Ltd. Kakinada.
Completed